

バリ取り
マシンローディング
ピッキング
マウンティング




1[rad]=180/π[°],1[N・m]=1/9.8[kgf・m]
※ 製品改良のため、定格、仕様、寸法などの一部を予告なしに変更することがあります。
※ 防爆対応はしていません。
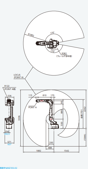
*1:別オプションにより、±180°とすることができます。
*2:表内の最大速度は最大値であり、作業プログラムや手首負荷条件によって変化します。
*3:手首許容慣性モーメントは、手首負荷条件により異なりますので、注意してください。
*4:「JIS B 8432」に準拠しています。
*5:海抜1000m以下でご使用の場合です。許容高度を超える場合、周囲温度が制約を受けます。
制御装置は、周囲温度:0~40℃となります。
*6:有機溶剤,酸,アルカリ,塩素系,ガソリン系切削液などシール部材を劣化させる液体は使用できません。ワイヤーハーネス部は、IP65相当、制御装置は、FD20、FD18ともにIP54相当となります。
オプションOP-P6-016/-017(J2軸エンコーダコネクタプロテクタ)を選択する場合、IP67相当からIP54相当へ低下します。
*7:ISO 14644-1に準拠した社内評価に基づきます。クリーン度を確保する場合は、ダウンフローのあるクリーンルーム内に設置してください。ロボットは防塵梱包されておりませんので、クリーンルーム搬入の際は ロボットの埃・粉塵の除去および拭き取り清掃が必要です。
*8:JIS Z 8737-1(ISO 11201)に従って測定したA荷重等価騒音レベルです。
(定格負荷、最高速度での運転)
Copyright © 2025 Nachi-fujikoshi corp. All Rights Reserved.
Copyright © 2025 Nachi-fujikoshi corp. All Rights Reserved.

